Welcome

🎁💰恭喜发财💰🎁

亚洲人成在线中文字幕

欢迎进入,佛山市高明南越钢结构制造有限公司!

专注于特殊、大件钢铁表面热镀锌加工

20年热镀锌加工服务经验

南越钢结构
热浸锌制作电语 0757-88629138
南越钢形式制作加工服务培训机构 Processing service
热浸锌加工生产热线电话 0757-88629138
看得出品质     摸得到质量

联系南越钢结构

南昌市高超南越钢组成部分制作业有限制的平台 装修公司电话号码:广州市省深圳市市很高区荷城兴良路65号 保持联系电活:0757-88629138 的企业QQ :13690367549 微电子企业邮箱:3393076619@qq.com

在线留言

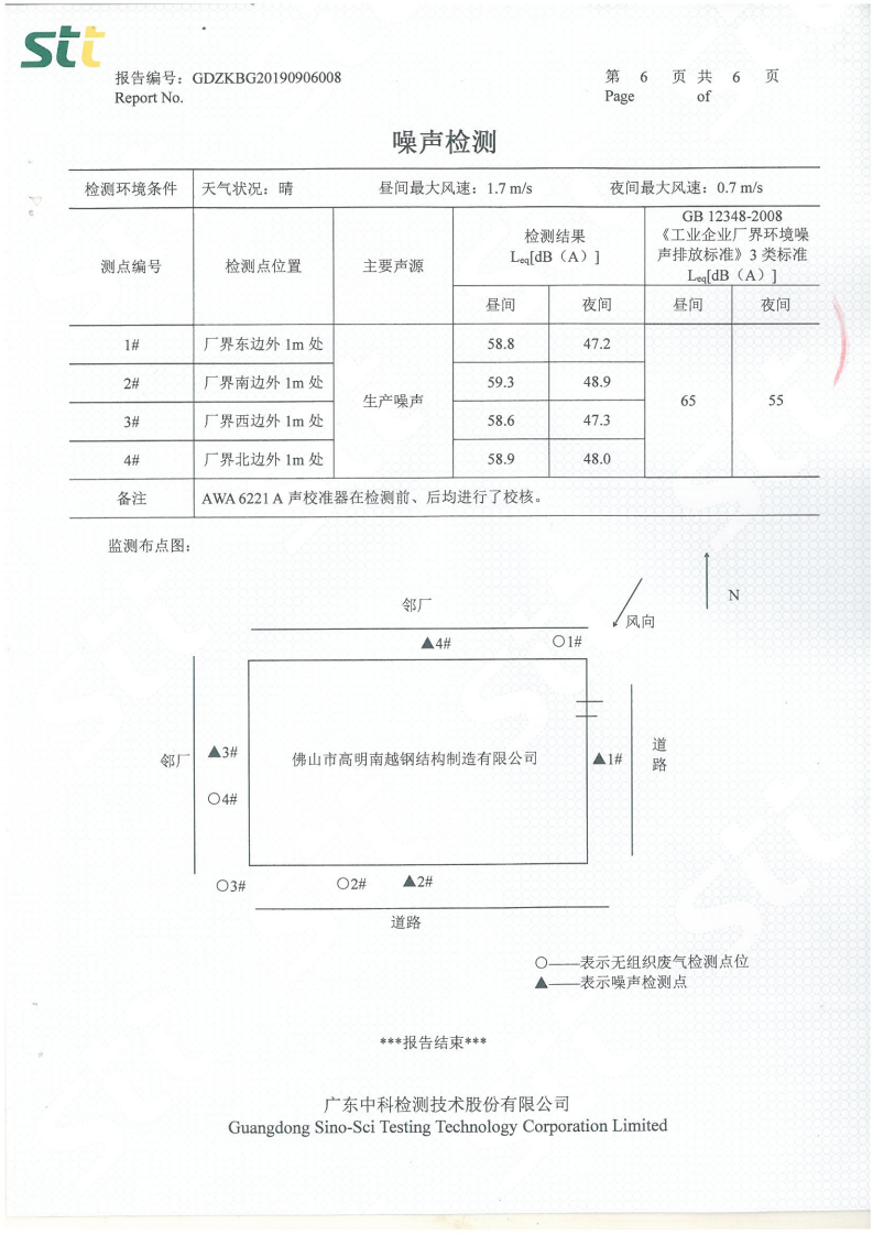
环境信息公开(2019年第三季度环境监测报告)

发布时间:2019-06-19 点击次数:1617


contact 联系方式
广州市高超南越钢形式研制局限大公司 集团公司网址:江苏省中国市高超区荷城兴良路65号 结合电活:0757-88629138 商家QQ :13690367549 电商电子邮件:3393076619@qq.com
转播权归广州市市高超南越钢空间结构生产制造是有限的司全部的           登记号:           技巧可以支持: